
NTL系列具有大直径导轮的特殊用途型号张力仪,最大程度地减少材料的弯曲,适用于
10mm以下大直径线材的张力测量,例如光缆护套,纤维,电缆等。
NTL系列有4种张力范围,从25-2500cN 到2.0-20.0daN,其它量程可以订制。
特点:
1.自动清零,仪表在任何姿态都可以自动归零,提高测量精度,方便测量。
2.配有线径补偿器,补偿线径不同产生的误差,提高测量精度
3.配有导向轮运动结构,易于捕捉被测材料。
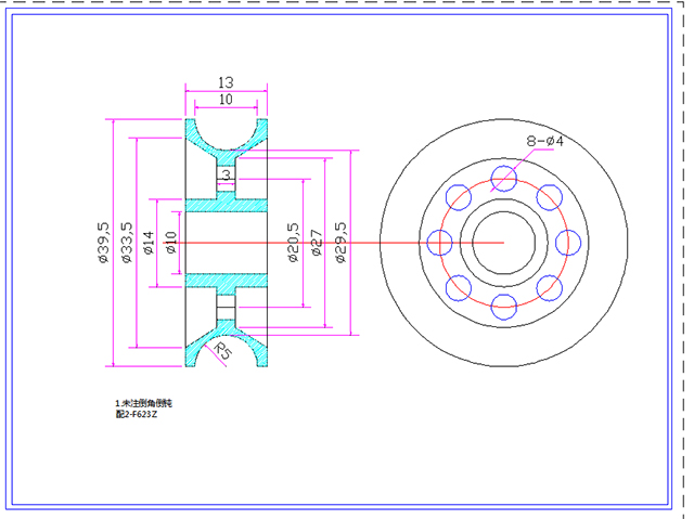
4.带有滚珠轴承的V行槽铝制测量导轮。
5.坚固的防滑铝制外壳,抗电池干扰。
6.LIPO锂离子聚合物电池(可持续运行约10小时).
7.被测材料,导向轮,屏幕位于同一平面,测试中测试数据,导向轮和被测材料状态尽收眼底。
8.最多可以精确标定10种材料,配合线径补偿器,测试的线径范围更大。
9.全字符菜单设置功能,操作简单方便。
10.根据不同量程和需要,测量值显示单位可选择g ,kg, c N,N ,daN, lb
11.可记录测量过程中的最大值,最小值,峰值,平均值,还可记忆存储10个独立的测量值及其平均值。
12.可编程设置趋势状态条最大值,最小值,清晰判断张力变化的范围,兼具机械式仪表趋势显示优点。
13.提供显示结果微调功能,现场测量的材料和标准的标定材料有轻微偏差,不需要重新标定即可显示准确值。
14.功能设置可以通过密码进行保护,提高设置安全性。
15. 百坦张力仪提供两种显示方式,兼顾电子张力仪读数精确和机械式张力仪趋势显示的优点。

-数字式显示- 数字显示加张力变化趋势条
型号NTL
| 型号 | 张力范围 | 测量头宽度 | 线径补偿范围 | 标定材料(聚酰胺单丝) | 是否包含线径补偿 |
| NTL-2000 | 25-2500 cN | 225mm | 客户指定范围 | 客户指定材料 | 是 |
| NTL-5000 | 50-5000 cN | 225mm | 客户指定范围 | 客户指定材料 | 是 |
| NTL-10K | 1.0-10.0 daN | 225mm | 客户指定范围 | 客户指定材料 | 是 |
| NTL-20K | 2.0-20.0 daN | 225mm | 客户指定范围 | 客户指定材料 | 是 |
单位换算:1daN=10N =1.02kg 1cN=1.02g
型号规则 型号 – 订货编码
可选附件
省力手柄 订货编码F
省力手柄图片。

导轮

标准 6000米/分钟 硬化铝
NTL 发货包括 张力仪 ,便携式仪表箱,充电器,中文说明书,合格证。
参数规格:
精度 (出厂校准材料)1%满量程(FS),(其它材料)3%FS.
显示更新频率 0.5秒
可选单位 gf, cN, N, kgf, daN,LB(不同量程可切换单位不同)
可调整范围 显示值可以按照现场要求以满量程1%的幅度进行±10步调整
最大线速度 6000m/min
可存储值 最大值,最小值,最大峰值,最小峰值,平均值
显示器 点阵式液晶显示屏
输出 可选无线WIFI输出,有线连接数字输出
外壳尺寸 76×46×275mm
电源 锂离子充电电池,连续工作约10个小时
工作温度 10-45℃,90%相对湿度或更少
附件 仪表,说明书,合格证,充电器,仪表箱
上一篇:没有了
下一篇:NM系列