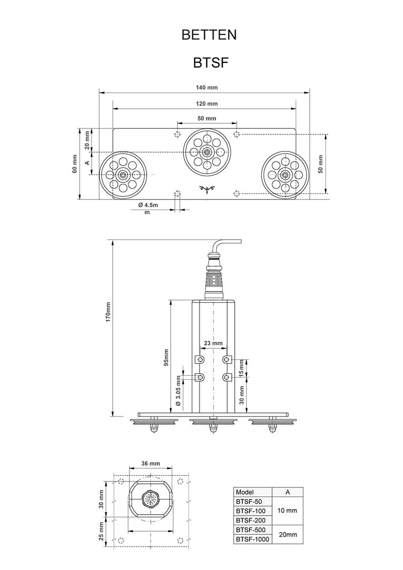
BTSF系列配有大直径导轮测量时材料的弯曲半径小,适合于测量光纤,碳纤维和特殊纤维等敏感材料的张力。


参数规格:
测量范围: 0-0.5N 至0-10N
综合误差: ±1%FS
重复性: <±0.03%FS
蠕变: 正负0.05%FS/5mins
标定: 按百坦科技公司出厂程序标定
参考激励电压: 5-10VDC
输入阻抗: 350±5
输出阻抗: 350±5
绝缘电阻: ≥3000MΩ(50VDC)
零点输出: <0.1mv/v
零点温度影响: ±0.05%FS/10℃
灵敏度温度影响:±0.05%FS/10℃
过载保护: 200%FS
空气湿度: 85%最大相对湿度
工作温度范围: -10到+40℃
传感器外壳: 铝制
净重(毛重): 约400g
连接电缆: 4*0.2²高效屏蔽电缆,3m长。∅6,保护材料为PVC
接线方法: 激励电压+:红色 激励电压-:黑色
输出信号+:绿色 输出信号-:白色
屏蔽线:银色
| 型号 | 张力范围(cN) | 标定材料(聚酰胺单丝) |
BTSF-50 | 0.5-50.0 | φ0.2mm |
BTSF-100 | 1.0-100.0 | φ0.2mm |
BTSF-2009 | 2.0-200.0 | φ0.2mm |
| BTSF -500 | 5.0-500.0 | φ0.2mm |
| BTSF -1000 | 10-1000 | φ0.4mm |
上一篇:BTS系列张力传感器
下一篇:BTSB系列张力传感器