NTS系列适用于纺织,化纤,细金属丝等精细材料的张力测量,测量范围从0.3-50.0cN到1-500cN.

仪表图片 仪表侧面图 仪表测量头图片
型号NTS 系列的新特点
1. 每个测量点都具备自动清零功能,提高测量精度和操作方便性。
2. 优化的设计,使得测试中测试数据,导向轮和被测材料在同一平面,状态尽收眼底。
3. 屏幕显示方向可根据客户手持方式不同改变,方便读数。
4. 测量值显示单位可选择g ,c N。
5. 可记录测量过程中的最大值,最小值,平局值。
6. 配有导线架和导向轮运动结构,易于捕捉被测材料
NTS特点
方便直观的观察 导向轮,被测材料,读数,尽收眼底。
导向轮移动装置确保运动材料易于捕捉
带有滚珠轴承的V行槽导轮
LIPO锂离子聚合物电池(可持续运行约60小时)
NTS的测量头是有滚珠轴承导轮,最高速度可达900 m/min
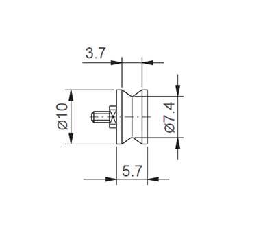
导轮尺寸图
| 型号 | 张力范围 | 测量头宽度 | 标定材料(聚酰胺单丝) |
| NTS-50 | 0.3-50.0 cN | 40mm | φ0.2mm |
| NTS-100 | 1.0-100.0 cN | 40mm | φ0.2mm |
| NTS-2001 | 1-200 cN | 40mm | φ0.2mm |
| NTS-500 | 1-500 cN | 40mm | φ0.2mm |
单位换算 1cN=1.02g=0.01N
参数规格:
精度 (标定材料)±1%满量程(FS)
显示更新频率 0.5秒
可选单位 g, cN
最大线速度 900m/min
可存储值 最大值,最小值,平均值
显示器 点阵式液晶显示屏
外壳尺寸 225X45 X 30 mm
电源 锂离子充电电池,连续工作约20个小时
工作温度 10-45℃,90%相对湿度或更少
附件 仪表,说明书,合格证,充电器,仪表箱
应用范围 纺织,化纤,电线电缆行业的纱线,化纤,细金属丝等张力测量